Sign In | Join Free | My spintoband.com
China Shenzhen Ketai Electronic Technology Co., Ltd. logo
Shenzhen Ketai Electronic Technology Co., Ltd.
Shenzhen Ketai Electronic Technology Co., Ltd.
Active Member

4 Years

Home > PCB Mount Relay >

SPST 80A Gap2.0mm High Load Arc Extinction Power Relay NB901-12S-S-A For AC DC Inverter

Shenzhen Ketai Electronic Technology Co., Ltd.
Contact Now

SPST 80A Gap2.0mm High Load Arc Extinction Power Relay NB901-12S-S-A For AC DC Inverter

Brand Name : NBC

Model Number : NB901-12S-S-A

Certification : CQC/UL

Place of Origin : China

MOQ : 100pcs

Price : negotiable

Payment Terms : Western Union, T/T, L/C

Delivery Time : 5-8days

Packaging Details : standard or customization

Product Name : PCB Mount Power Relay

Modle Number : NB901-12S-S-A

Contact Resistance : 20mΩ

Ambient Temperature : ﹣55℃~85℃

Relative Humidity : 85% RH , 40℃

Weight : Approx.30.0g

Contact Now

NBC

SPST 80A Gap2.0mm High Load Arc Extinction Power Relay NB901-12S-S-A for AC-DC Inverter

Description:

It is a high load switching capability power mount relay,can reach 80A.Patented design with arc extinction structure,class F insulation,sealed type,4000VAC between contacts and between coil & contacts,specially suitable for industrial equipment,such like AC-DC inverter,PLC,UPS..

Feature:

1. Contact switching current: 80A

2. Sealed type

3. Gap is 2.0mm by default.

4. Coil insulation grade Class F

5. Arc extinction structure of patent

Application:

1. Industry

2. Machinery

Specification:

Contact Rating
Contact Form 1A
Contact Material AgSnO2
Contact Load Capacity NB901
60A 277VAC 80A 48VDC 50A 240VDC 50A 277VAC TV-15
Switching Power Max. 3840W/ 13850VA
Switching Voltage Max. 48VDC/277VAC
Switching Current Max. 80A
Contact Resistance Max. 20mΩ(1A ,24VDC)
Life expectancy Electrical 40A: 1x105 50A:1x104 60A: 6x103 80A:3X104 DC48V
Machanical 10 7

Safety Certification
Approval CQC UL
Load 50A 240VAC 50A 277VAC TV-15

Coil Rating
Coil Power 2.25W
No. Nominal
Voltage
VDC
Max.
Voltage
VDC
Coil Resistance Ω±10% Pick-up Voltage
VDC Max.
Drop-out Voltage
VDC Min.
012 12 13.2 64 9 0.6

Technical Rating
Insulation Resistance Min.1000MΩ IEC 60255-5
Dielectric Strength Between Contacts 4000 VAC IEC 60255-5
Between Coil&Contact 4000VAC IEC 60255-5
Operate Time ≤15ms
Release Time ≤10ms
Shock Resistance Operation extremes 10G Damage limits 100G IEC 68-2-27 test Ea
Vibration Resistance 10Hz~55Hz double amplitude 1.5mm IEC 68-2-6 test Fc
Ambient Temperature ﹣55℃~85℃
Relative Humidity 85% RH , 40℃ IEC 68-2-3 test Ca
Weight Approx.30.0g
Package Sealed;Dust-proof type

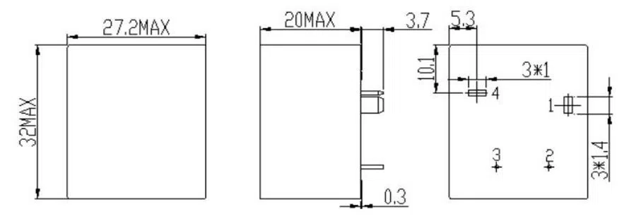
3 Dimension and electrocircuit of 80 ampere Arc extinction power relay

SPST 80A Gap2.0mm High Load Arc Extinction Power Relay NB901-12S-S-A For AC DC Inverter
Outline Dimensions
SPST 80A Gap2.0mm High Load Arc Extinction Power Relay NB901-12S-S-A For AC DC Inverter
Bottom View Layout
SPST 80A Gap2.0mm High Load Arc Extinction Power Relay NB901-12S-S-A For AC DC Inverter
Wiring Diagram(Bottom View)
Engineering Data
SPST 80A Gap2.0mm High Load Arc Extinction Power Relay NB901-12S-S-A For AC DC Inverter


Product Tags:

Arc Extinction Power Relay

      

SPST 80A Power Relay

      

AC DC Inverter SPST Relay

      
Wholesale SPST 80A Gap2.0mm High Load Arc Extinction Power Relay NB901-12S-S-A For AC DC Inverter from china suppliers

SPST 80A Gap2.0mm High Load Arc Extinction Power Relay NB901-12S-S-A For AC DC Inverter Images

Inquiry Cart 0
Send your message to this supplier
 
*From:
*To: Shenzhen Ketai Electronic Technology Co., Ltd.
*Subject:
*Message:
Characters Remaining: (0/3000)
 
Inquiry Cart 0